摘要
型号:HF-8010 用途:淋雨试验箱主要用于考核产品外壳、密封件在淋雨试验后或者在试验中是否能保证该设备及元器件良好的工作性能和技术状态。同时产品在运输和使用的过程中可能受到浸水的影响,为产品技术标准提供引用依据。适用以自然条件为基础所进行的人工淋雨试验,不带有强风速的降雨,不考虑试样的高温及雨水温度差所引起的大量进水。
产品介绍
淋雨试验箱主要用于考核产品外壳、密封件在淋雨试验后或者在试验中是否能保证该设备及元器件良好的工作性能和技术状态。同时产品在运输和使用的过程中可能受到浸水的影响,为产品技术标准提供引用依据。适用以自然条件为基础所进行的人工淋雨试验,不带有强风速的降雨,不考虑试样的高温及雨水温度差所引起的大量进水。
特点
▣新一代外观设计,箱体结构、控制技术均做较大改进,试验槽和控制柜为一体式,其它系统为暗藏式,美观大方,安装极为方便,技术指标更稳定,运行更可靠,维护更方便,备有万向滚轮,方便在实验室内移动。
▣超大触摸屏操作,外观更加简洁大方,操作更加容易,参数设置简单,无须进入程序菜单,可直接进入参数菜单即可修改,显示设定值,当前值
▣大视窗设计,方便观察淋雨试验状态
▣记录量大,USB输出,电脑连接打印,大仓有纸无纸记录等选配
▣可靠性高:主要配件选配著名专业厂商,保证提高整机可靠性
技术参数



执行满足标准及试验方法
GB/T2423.38-2008电工电子产品环境试验第2部分:试验方法R:水试验方法和导则,Rb冲水(IEC60068-2-18:2000)
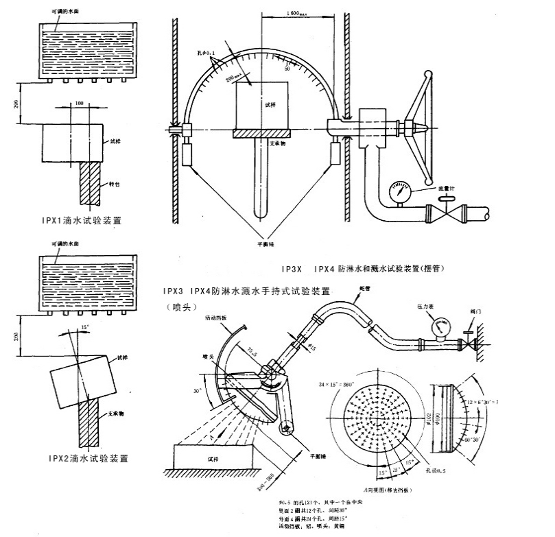
GB/4208-2008外壳防护等级(IP代码)IPX3、IPX4摆杆试验方法(IEC60529:2001)
其他
▣使用环境温度:+5~+35℃
▣:短路保护、风机过载保护、漏电保护、相序缺相保护、操作人员保护、试件保护
